Click Device

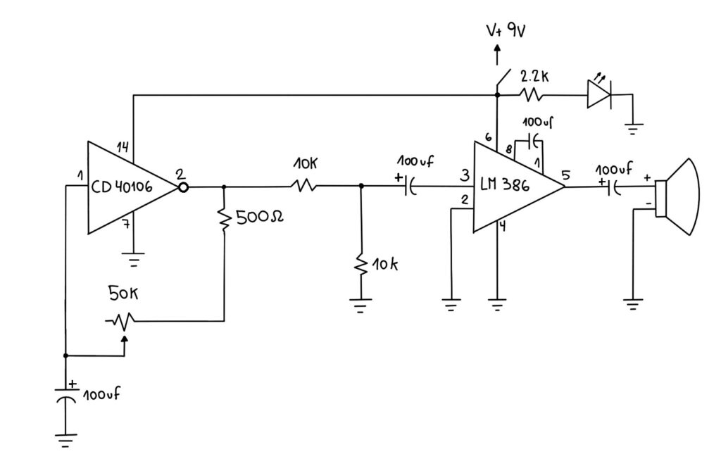
This is based on Chuck Johnson’s adaptation of a design from Nic Collins’ book “Handmade Electronic Music” for the realization of “Vespers” by Alvin Lucier. The circuit is built on paper inside of a small box. 

 

I power the whole box with a 9v battery and the knob on the side adjust the speed of the clicks. 

 

For the output I connected a ¼ inch jack with a switch to be able to use the small speaker built into the box, or connect a different kind of speaker. I use this feature to be able to play with the spatialization of the clicking sounds. 

 

Scroll to Top